无刷电动机 变频器组合(750W/AC电源输入)

BL2M6750CHP-20S

BL2M6750CHP-20S

电动机

スクロールできます
产品类别 规格型号 交货期 未税定价(RMB) 未税折扣单价(RMB)
电动机 BL2M6750CHP-20S 19个工作日 5,033.00 4,530.00
数量: (PCS)
数量: (PCS)
• 本产品为无刷电动机的电动机单体品。
• 如果您将电机与其他公司生产的逆变器组合使用,我们可以提供专用的连接电缆。⇒连接电缆线
• 交货期从我司收到货款并安排下订后开始计算(当日14:00截止下订,逾时顺延1个工作日)。详细请点击此处。

附属品

  • 电动机: 安装用螺丝、平行键

规格

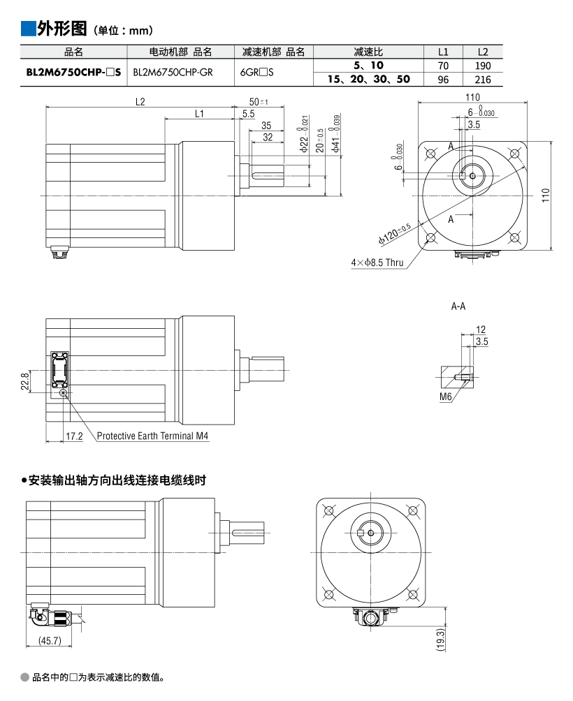
外形图

电动机/减速机
电动机/减速机

电动机/减速机

资料下载

其他规格

一般规格

项目 规格
绝缘电阻 在常温常湿下连续运行后,用DC500V兆欧表测量线圈与外壳之间的电阻值为100MΩ以上。
绝缘耐压 在常温常湿下连续运行后,在线圈与外壳之间施加50Hz、AC1.5kV电压,持续1分钟,无异常。
温度上升 安装在散热板∗1上,在常温常湿下额定连续运行后,温度稳定时,用热电偶法测量外壳表面的温度上升值在40°C以下。
使用环境 环境温度 0–+40°C(无冻结)
环境湿度 85%以下(无结露)
海拔 海拔1000m以下
环境 无腐蚀性气体、无尘埃。不接触水、油。禁止在含放射性物质、磁场、真空等特殊环境中使用。
振动 无持续振动及过度冲击。符合JIS C 60068-2-6正弦波振动试验方法
频率范围:10–55Hz、单振幅:0.15mm 扫描方向:3方向(X、Y、Z) 扫描次数:20次
存放环境∗2 环境温度 −20–+70°C(无冻结)
环境湿度 85%以下(无结露)
海拔 海拔3000m以下
环境 无腐蚀性气体、无尘埃。不接触水、油。禁止在含放射性物质、磁场、真空等特殊环境中使用。
耐热等级 UL/CSA标准:105(A)
EN标准:120 (E)
保护等级 IP66∗3
(不含圆轴型的安装面)
∗1
散热板(材质:铝)的尺寸如下。
350×350mm 厚度10mm
圆轴型应安装散热板,以确保电机外壳表面温度在90°C以下。
∗2
存放环境是包括运输期间的短期内的数值。
∗3
保护等级适用于电动机与连接电缆线已连接的场合。不包含连接电缆线的驱动器连接用连接器部分。

注意事项

  • 请勿在电动机与驱动器连接的状态下进行绝缘电阻测量和耐压试验。

安全规格

法律法规资料

支持的法律法规资料可以从产品详细页面的“资料下载”标签中下载。
(可下载的文件类型因产品而异。)

各国的法律法规说明请点击这里查看。

本公司产品各型号的安全规范对应情况请点击这里查看。

有害物质

不含有超过RoHS指令(2011/65/EU,2015/863/EU)规定限制值的物质(10种物质)。

本公司产品对产品含有化学物质法规的应对请点击这里查看。

电缆线·配件

加入购物车报价和订购

勾选后, 电缆线·配件可以一并加入购物车

资料下载

本产品和电缆线·配件

请选择电缆线和配件

close
close
close
close
close