电缆线 驱动器电缆线

CC15D2

CC15D2

驱动器电缆线

スクロールできます
产品类别 规格型号 交货期 未税定价(RMB) 未税折扣单价(RMB)
驱动器电缆线 CC15D2 15个工作日 544.00 490.00
数量: (PCS)
数量: (PCS)
• 交货期从我司收到货款并安排下订后开始计算(当日14:00截止下订,逾时顺延1个工作日)。详细请点击此处。
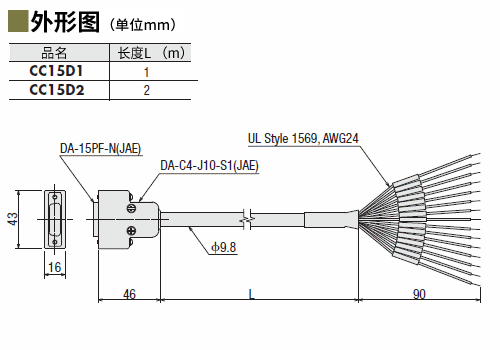
说明 连接驱动器与可编程控制器的15芯专用电缆线(2 m)。

规格

外形图

电缆线
电缆线

电缆线

资料下载

资料下载

本产品和电缆线·配件

close
close
close
close
close