中空旋转式传动装置 DGII系列
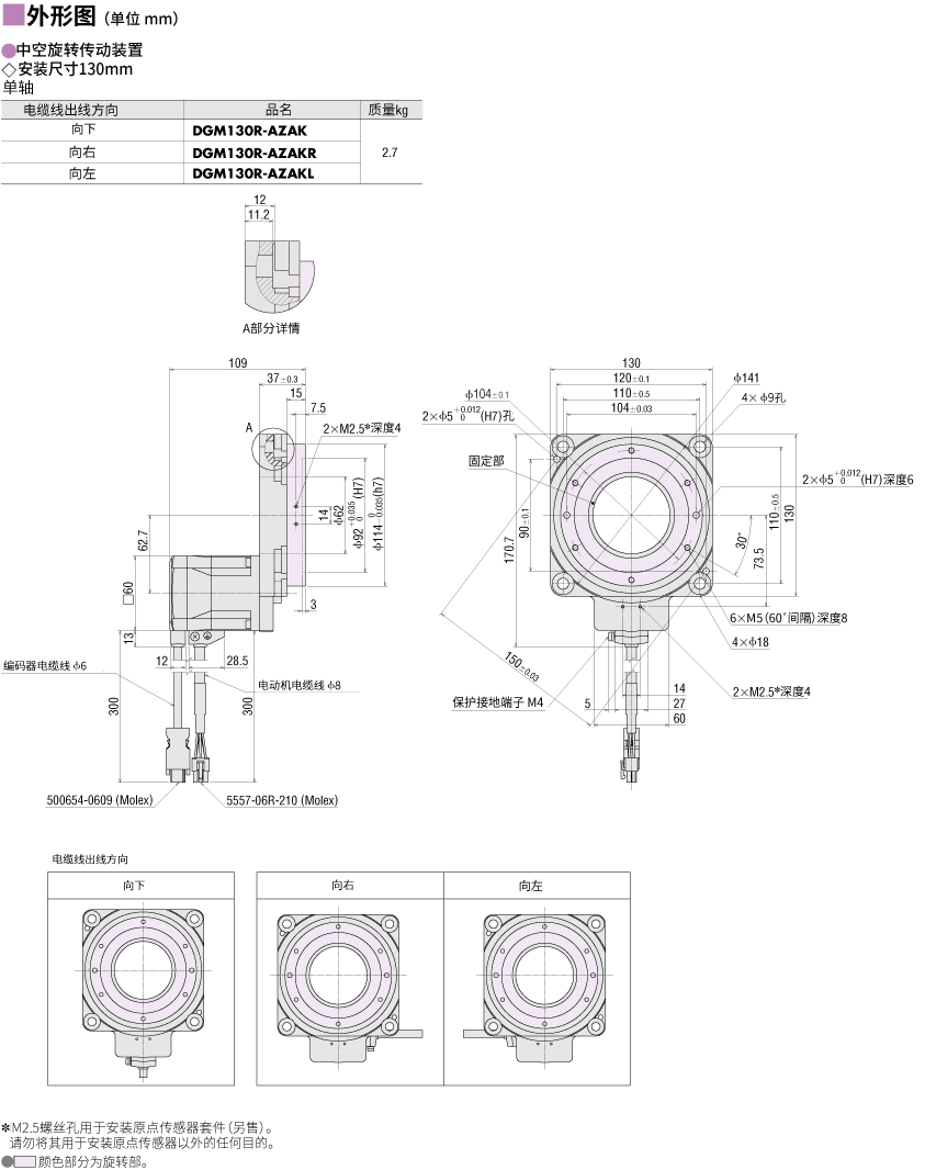
DGM130R-AZAK
スクロールできます
产品类别 | 规格型号 | 交货期 | 未税定价(RMB) | 未税折扣单价(RMB) | |
---|---|---|---|---|---|
传动装置 | DGM130R-AZAK | 2个工作日 | 13,843.00 | 12,459.00 | |
数量: (PCS) |
数量:
(PCS)
• 本产品为传动装置单体品。需与驱动器、连接电缆线组合才能驱动。• 详细规格及各种数据可能刊载在组合品名页面。请在组合品名页面确认。
• 交货期从我司收到货款并安排下订后开始计算(当日14:00截止下订,逾时顺延1个工作日)。详细请点击此处。
附属品
- 传动装置: 无
规格
特性
外形图
资料下载
其他规格
传动装置 一般规格
搭载电动机 | AZ系列 | |
---|---|---|
使用环境 (运行时) | 环境温度 | 0∼+40℃ (无结冰) |
环境湿度 | 85%以下 (无结露) | |
环境 | 无腐蚀性气体・尘埃。水・油等不得直接接触。 | |
非通电状态下的多回转检测范围 (电动机输出轴) | 安装尺寸60 mm: ±450转 (900转) 安装尺寸85 mm、130 mm: ±900转 (1800转) |
旋转方向
从旋转平台侧看到的旋转方向。
插图是电动机垂直方向的。旋转方向在电动机水平方向也是同样的。

电缆线·配件
勾选后, 电缆线·配件可以一并加入购物车
本产品和电缆线·配件
close

close

close

close

close

close

close

close
close
close
close