步进电动机 PKP系列/PK系列(2相)
PKP203D06B2
スクロールできます
产品类别 | 规格型号 | 交货期 | 未税定价(RMB) | 未税折扣单价(RMB) | |
---|---|---|---|---|---|
电动机 | PKP203D06B2 | 29个工作日 | 1,237.00 | 1,113.00 | |
数量: (PCS) |
数量:
(PCS)
• 另外需要电动机用连接电缆线。• 交货期从我司收到货款并安排下订后开始计算(当日14:00截止下订,逾时顺延1个工作日)。详细请点击此处。
附属品
- 电动机: 无
规格
特性
外形图
资料下载
其他规格
一般规格
项目 | 规格 | |
---|---|---|
使用环境(运行时) | 环境温度 | −10~+50℃(无结冰) 薄型带谐波减速机、谐波减速机型为 0~+40℃(无结冰) |
环境湿度 | 85%以下(无结露) | |
环境 | 无腐蚀性气体、尘埃。水、油等不得直接接触。 | |
温度上升 | 线圈温度上升在80℃以下(根据本公司的测量条件) | |
静止角度误差※1 | ±3分(±0.05°) [PKP21□、PKP242、PKP262是±5分(±0.083°), PK26□J、PK26□JD是±2分(±0.034°)] |
|
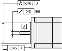
转轴振幅 | 0.05T.I.R.(mm)※4 ※5 | |
径向间隙※2 | 0.025mm Max(负载5N) [PKP203是负载2.5N] |
|
轴向间隙※3 | 0.075mm Max(负载10N) [PKP203・PKP21□是负载1N、PKP22□・PKP242・PKP262是负载2.5N] |
|
安装嵌合部相对于轴的同心度 | 0.075T.I.R.(mm)※4 | |
安装面相对于轴的垂直度 | 0.075T.I.R.(mm)※4 |
- ※1
- 全步进、无负载时的值(根据负载大小而变化)。
- ※2
- 径向间隙:在电动机轴端部垂直方向施加5N负载(PKP203施加2.5N负载)时,径向的轴位置的变位量。
- ※3
- 轴向间隙:在电动机轴上施加10N轴向负载(PKP203・PKP21□施加1N负载、PKP22□・PKP242・PKP262施加2.5N负载)时,轴向的轴位置的变位量。
- ※4
- T.I.R.(Total Indicator Reading):表示以基准轴心为中心,将测量部旋转一周时,百分表读数的总量。
- ※5
- PKP244P是0.025T.I.R.(mm)

容许径向负载・容许轴向负载
类型 | 电动机 安装尺寸 |
电动机部件 品名 | 减速比 | 容许径向负载 | 容许 轴向 负载 |
||||
---|---|---|---|---|---|---|---|---|---|
距轴端的距离 mm | |||||||||
0 | 5 | 10 | 15 | 20 | |||||
标准型 | 13mm | PKP203 | - | 5 | 6 | - | - | - | 1 |
20mm | PKP213、PKP214 | 12 | 15 | - | - | - | 3 | ||
28mm | PKP223、PKP225 | 25 | 34 | 52 | - | - | 5 | ||
35mm | PKP233、PKP235 | 20 | 25 | 34 | 52 | - | 10 | ||
42mm | PKP243、PKP244、PKP245、PKP246 | 20 | 25 | 34 | 52 | - | 10 | ||
PKP243□2、PKP244□2、PKP245□2、PKP246□2 | 35 | 44 | 58 | 85 | - | 15 | |||
50mm | PKP254、PKP256、PKP258 | 61 | 73 | 90 | 110 | - | 20 | ||
56.4mm | PKP264、PKP266、PKP268 | 61 | 73 | 90 | 110 | 160 | 20 | ||
PKP264□2、PKP266□2、PKP268□2 | 90 | 100 | 130 | 180 | 270 | 30 | |||
60mm | PK264J、PK266J、PK267J、PK269J | 50 | 60 | 75 | 100 | 150 | 20 | ||
85mm | PKP296、PKP299、PKP2913 | 260 | 290 | 340 | 390 | 480 | 60 | ||
高转矩型 | 42mm | PKP244 | - | 90 | 100 | 130 | 180 | - | 15 |
高分辨率型 | 28mm | PKP223、PKP225 | - | 25 | 34 | 52 | - | - | 5 |
42mm | PKP243、PKP244 | 20 | 25 | 34 | 52 | - | 10 | ||
PKP243□2、PKP244□2、PKP245□2、PKP246□2 | 35 | 44 | 58 | 85 | - | 15 | |||
56.4mm | PKP264、PKP266、PKP268 | 61 | 73 | 90 | 110 | 160 | 20 | ||
PKP264□2、PKP266□2、PKP268□2 | 90 | 100 | 130 | 180 | 270 | 30 | |||
薄型 标准 |
42mm | PKP242 | - | 20 | 25 | 34 | - | - | 5 |
60mm | PKP262 | ||||||||
薄型 谐波减速机 |
51mm | PKP242 | 50、100 | - | - | - | - | - | 200 |
61mm | PKP262 | 450 | |||||||
SH减速机型 | 28mm | PKP223 | 7.2、9、10、18、36 | 15 | 17 | 20 | 23 | - | 10 |
42mm | PKP243 | 3.6、7.2、9、10、18、36 | 10 | 15 | 20 | 30 | - | 15 | |
60mm | PKP264 | 3.6、7.2、9、10 | 30 | 40 | 50 | 60 | 70 | 30 | |
18、36 | 80 | 100 | 120 | 140 | 160 | ||||
90mm | PK296 | 3.6、7.2、9、10、18、36 | 220 | 250 | 300 | 350 | 400 | 100 | |
CS减速机型 | 28mm | PKP223 | 10、15、20 | 30 | 37 | 50 | 73 | - | 30 |
42mm | PKP243 | 5、10、15、20 | 59 | 68 | 80 | 96 | - | 40 | |
60mm | PKP264 | 160 | 170 | 200 | 220 | 260 | 70 | ||
谐波减速机型 | 13mm | PKP203 | 30、50、100 | 28 | 36 | - | - | - | 40 |

旋转方向
表示从输出轴侧观察的旋转方向。
减速机输出轴相对于标准型电动机输出轴的旋转方向,根据减速机的种类及减速比的不同而有所差异。请参考下表确认。
类型名 | 减速比 | 从电动机输出轴侧 观察的旋转方向 |
---|---|---|
TS减速机型 | 3.6、7.2、10 | 同方向 |
20、30 | 逆方向 | |
TH减速机型 安装尺寸28mm |
7.2、10 | 逆方向 |
20、30 | 同方向 | |
TH减速机型 安装尺寸42mm、60mm、90mm |
3.6、7.2、10 | 同方向 |
20、30 | 逆方向 | |
SH减速机型 安装尺寸28mm |
7.2、36 | 同方向 |
9、10、18 | 逆方向 | |
SH减速机型 安装尺寸42mm、60mm |
3.6、7.2、9、10 | 同方向 |
18、36 | 逆方向 | |
SH减速机型 安装尺寸90mm |
3.6、7.2、9、10、18 | 同方向 |
36 | 逆方向 | |
CS减速机型 | 5、10、15、20 | 同方向 |
FC减速机型 PS减速机型 PN减速机型 HPG减速机型 |
全减速比 | 同方向 |
谐波减速机型 | 30、50、100 | 逆方向 |

系统构成
电缆线·配件
勾选后, 电缆线·配件可以一并加入购物车
本产品和电缆线·配件
close

close

close
close
close
close