配线支持机器 线路接收器模块
VCS07

线路接收器模块
スクロールできます
产品类别 | 规格型号 | 交货期 | 未税定价(RMB) | 未税折扣单价(RMB) | |
---|---|---|---|---|---|
线路接收器模块 | VCS07 | 15个工作日 | 573.00 | 573.00 | |
数量: (PCS) |
数量:
(PCS)
• 交货期从我司收到货款并安排下订后开始计算(当日14:00截止下订,逾时顺延1个工作日)。详细请点击此处。
说明 | 以线路接收器接收线性驱动输出的信号,再以开路集电极输出的信号输出转换器。 DIN导轨安装。 ・电源输入 DC12-24 V ±10 % 30 mA ・信号输入IN1∼4 线路接收器26C32相当 ・信号输出OUT1∼4 开路集电极 DC30 V、20 mA max. ・最大响应频率 500 kHz |
---|
规格
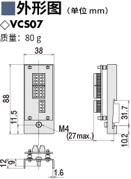
外形图
资料下载
本产品和电缆线·配件
close

close
close
close
close